PD20M-PT系列綜合型低壓PT保護測控裝置(以下簡稱PD20M-PT或測控裝置)用于低壓PT的綜合保護和測控;是一款具有極高性價比,穩定可靠,集繼電器保護、測量、控制、通訊為一體的低壓低壓PT保護測控裝置。
測控裝置采集三相母線電壓,零序電壓等數據,將這些數據計算后和測控裝置記錄的各種保護功能整定信息進行比較,當符合保護動作條件時,驅動繼電器輸出,從而達到可靠監測、保護PT的目的。
PD20M-PT低壓PT保護測控裝置由測控裝置主機、顯示模塊組成。測控裝置主機可實現測量功能、保護功能和遠程通訊功能;顯示模塊作為輔助裝置,可以根據需要進行配置。
PD20M-PT以通訊功能作為遠程管理的重要手段,支持MODBUS-RTU、PROFIBUS-DP多種通訊總線。
PD20M-PT綜合型低壓PT保護測控裝置符合以下安全標準:
GB/T14048.1-2012 低壓開關設備和控制設備 總則;
GB/T14048.5-2008 低壓開關設備和控制設置 控制電路電器和開關元件 第1部分:機電式控制電路電器
可用于0.66KV及以下電壓等級電壓互感器(PT)的全面監測和保護;
綜合型低壓PT保護測控裝置通過監測低壓PT回路的三相母線相/線電壓、零序電壓、正序電壓、負序電壓、母線頻率等多種電參數,對低壓PT進行全面監測和保護。具有三段式低壓保護、母線過壓保護、零序過壓保護、PT斷線保護、開關量保護等多種數字式保護或報警功能;
采用寬溫型漢化LCD以及高亮指示燈結合顯示運行狀態及數據;
可編程設置,可在現場方便地更改保護定值等參數;
可選配1路或2路RS485通訊接口,采用MODBUS-RTU協議與后臺組網通訊;也可選擇PROFIBUS-DP通訊接口,PROFIBUS V1.0版通訊協議;
可選配1路DC4~20mA模擬量變送輸出到后臺工控機;
測控裝置主機提供8路開關量輸入,用于復位信號和位置狀態等信號輸入;提供4路繼電器輸出,分別對應多種保護類別輸出;
電源電壓:AC/DC85V~265V(交直流通用,寬范圍),方便設計應用;
測控裝置主體采用35mm標準導軌安裝方式,方便安裝與拆卸;顯示模塊屏裝(開孔尺寸為96.5mm×55mm);
具有8次故障事件記錄功能。

注1:選配功能可同時選擇多種,雙通訊冗余方式可選擇M2(2路RS485接口,MODBUS-RTU協議)或MP(1路RS485接口/MODBUS-RTU協議,另加1路PROFIBUS-DP通訊接口);
注2:測控裝置與顯示模塊采用標準的DB9串口線連接,訂貨時需標清DB9串口連接線長度,可選1米、3米、5米三種長度。
技術參數 | 技術指標 | |
測控裝置輔助工作電源 | AC/DC85V~265V(交直流通用,寬范圍),可擴展為雙電源輸入(第二路為DC110V) | |
測控裝置適用電壓系統 | AC380V/100V、AC660V/100V(50Hz或60Hz,經PT輸入) | |
測控裝置功耗 | 正常工作時≤10W,保護啟動時≤15W | |
繼電器輸出觸點 | 4路繼電器輸出 | 繼電器觸點容量:AC 250V/8A |
開關量輸入 | PD20M-PT具有8路光耦隔離的開關量輸入,外部須接AC220V、DC220V或DC110V電源,與DI公共端構成回路。 | |
正常使用環境 | 工作溫度 | -25℃~+55℃ |
相對濕度 | 5%~93%不結露 | |
海拔 | ≤2500m | |
功能 型式 | 功能配置 | ||
標準配置 | 增選功能 | ||
保護功能 | 低壓一段保護(可關聯PT斷線、開關量1閉鎖功能) | √ | |
低壓二段保護(可關聯PT斷線、開關量1閉鎖功能) | √ | ||
低壓三段保護(可關聯PT斷線、開關量1閉鎖功能) | √ | ||
母線過壓保護 | √ | ||
零序過壓保護 | √ | ||
PT 斷線保護 | √ | ||
開關量1保護 | √ | ||
開關量2保護 | √ | ||
通訊功能 | MODBUS-RTU/PROFIBUS-DP | √ | |
開關量輸入 | 8路DI,外部有源節點輸入 | √ | |
繼電器輸出 | 4路DO(DO1~DO3用作保護輸出,DO4自診斷) | √ | |
模擬量輸出 | 一路DC4~20mA輸出,對應參數可設置 | √ | |
發光管指示 | 運行、報警、故障指示 | √ | |
測量 | 三相母線相電壓、三相線電壓、零序電壓、正序電壓、負序電壓、頻率 | √ | |
故障記錄 | 記錄8次最近發生的故障信息,分辨率為1s | √ | |
保護參數 | 各種保護值查詢、整定 | √ | |
系統參數 | 通訊地址、波特率、額定值等參數查詢、設置 | √ | |
● 測控裝置本體外形尺寸

注:測控裝置本體采用標準35mm導軌安裝方式,本體與顯示模塊采用標準的DB9串口線連接,DB9串口線標配1米,可選1米、3米、5米三種長度。
● 顯示模塊外形尺寸:

● 顯示模塊安裝示意圖(開孔尺寸建議為96.5mm×55mm):

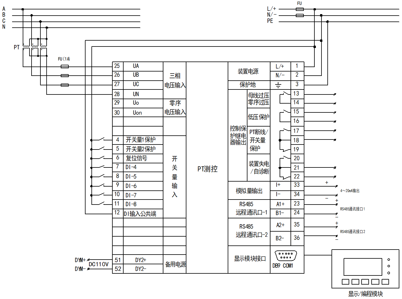
● 端子定義(具體見相對應接線圖):
端子編碼 | 端子定義 | 注釋 | 初始狀態 |
1 | L/+ | 工作電源輸入L/+ | / |
2 | N/- | 工作電源輸入N/- | / |
3 | GND | 接地端 | / |
4 | DI1 | 開關量信號輸入1 | / |
5 | DI2 | 開關量信號輸入2 | / |
6 | DI3 | 開關量信號輸入3 | / |
7 | DI4 | 開關量信號輸入4 | / |
8 | DI5 | 開關量信號輸入5 | / |
9 | DI6 | 開關量信號輸入6 | / |
10 | DI7 | 開關量信號輸入7 | / |
11 | DI8 | 開關量信號輸入8 | / |
12 | DI公共端 | 開關量信號輸入公共端 | / |
13 | DO1-1 | A繼電器輸出 | 常開 |
14 | DO1-2 | ||
15 | DO2-1 | B繼電器輸出 | 常開 |
16 | DO2-2 | ||
17 | DO3-1 | C繼電器輸出 | 常開(17,18) 常閉(18,19) |
18 | DO3-2 | ||
19 | DO3-3 | ||
20 | DO4-1 | D繼電器輸出 | 常開(20,21) 常閉(21,22) |
21 | DO4-2 | ||
22 | DO4-3 | ||
23 | 485A1 | RS485通訊接口-1 | / |
24 | 485B1 | ||
25 | UA | A相電壓輸入 | / |
26 | UB | B相電壓輸入 | / |
27 | UC | C相電壓輸入 | / |
28 | UN | N相電壓輸入 | / |
29 | Uo1 | 零序電壓信號輸入端 | / |
30 | Uo2 | / | |
31 | NULL | 端子功能預留 | / |
32 | NULL | / | |
33 | NA+ | 4~20mA模擬量輸出+ | / |
34 | NA- | 4~20mA模擬量輸出- | / |
35 | 485A2 | RS485通訊接口-2 | / |
36 | 485B2 | ||
41 | NULL | 端子功能預留 | / |
43 | NULL | ||
45 | NULL | ||
46 | NULL | ||
47 | NULL | 端子功能預留 | / |
48 | NULL | ||
51 | DY2+ | 備用工作電源輸入+ | / |
52 | DY2- | 備用工作電源輸入- | / |
● PD20M-PT典型控制模式接線圖
